• 首页
  • 关于我们
  • 产品中心
  • 荣誉资质
  • 新闻资讯
  • 联系我们
电子样本

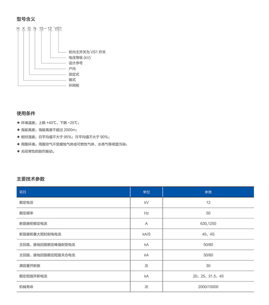
HXGN15-12(VS1) 单元式交流金属封闭环网开关设备

HXGN15-12(VS1)箱型固定式金属封闭环网开关设备(以下简称环网柜),系12KV三相交流50Hz供电系统的成套配电装置。

该开关装置是以户内高压真空断路器为主,而整柜是空气绝缘的,可广泛应用于城市电网的建设和改造,适用于工矿企业、高层建筑、住宅小区、医院、学校、公园等配电系统,作为接受和分配电能之用。适用于配电自动化、既紧凑又可扩充的金属封闭开关设备,主要用于环网供电和终端供电,亦适于装入预装式变电站。

产品展示

Product display

产品概述

Product overview

COPYRIGHT © 2020 济宁鲁星电气科技有限公司 鲁ICP备20011094号-1 技术支持:鼎岳传媒
首页 关于我们 产品中心 荣誉资质 新闻资讯 联系我们 电子样本

返回顶部