• 首页
  • 关于我们
  • 产品中心
  • 荣誉资质
  • 新闻资讯
  • 联系我们
电子样本

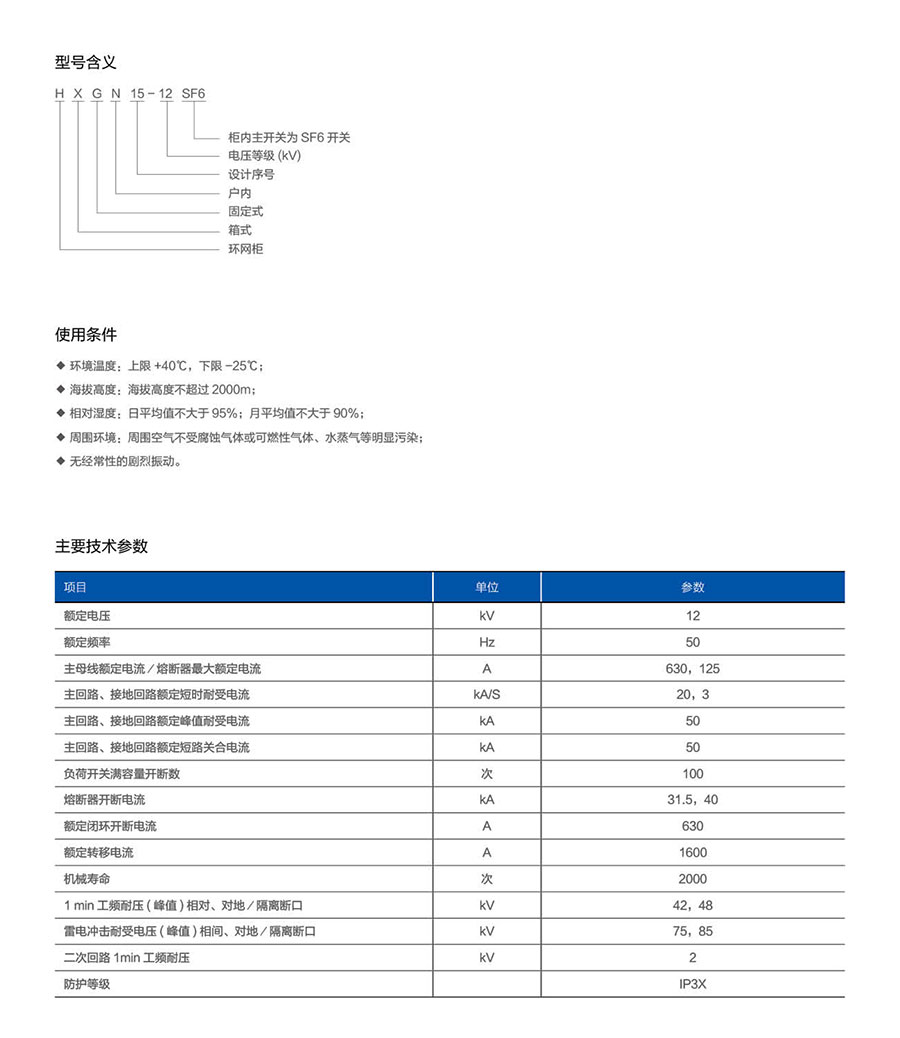
HXGN15-12(SF6) 单元式交流金属封闭环网开关设备

HXGN15-12(SF6)单元式交流金属封闭环网开关设备 (以下简称环网柜) 是我们在引进国外先进技术并按照国内农电及城网改造之要求而自行设计、研制成功的新一代高压电器产品。各项技术性能指标全IEC62271-200:2003和GB3906标准。

环网柜的主开关、操作机构及元器件采用ABB公司原装HAD/US型SF6。

柜体经数控机床加工后铆接而成,防护等级达到IP3X,并有可靠的机械联锁和防误操作功能。本产品具有体积小、重量轻、外型美观、操作简便、长寿命、高参数、无污染、少维护等极具显著的特点。

HXGN15-12 (SF6) 单元式交流金属封闭环网开关设备, 适用于交50Hz、12kV的电力网络中,作为电能的接受和分配之用。柜内主开关为SF6开关。

产品展示

Product display

产品概述

Product overview

COPYRIGHT © 2020 济宁鲁星电气科技有限公司 鲁ICP备20011094号-1 技术支持:鼎岳传媒
首页 关于我们 产品中心 荣誉资质 新闻资讯 联系我们 电子样本

返回顶部