• 首页
  • 关于我们
  • 产品中心
  • 荣誉资质
  • 新闻资讯
  • 联系我们
电子样本

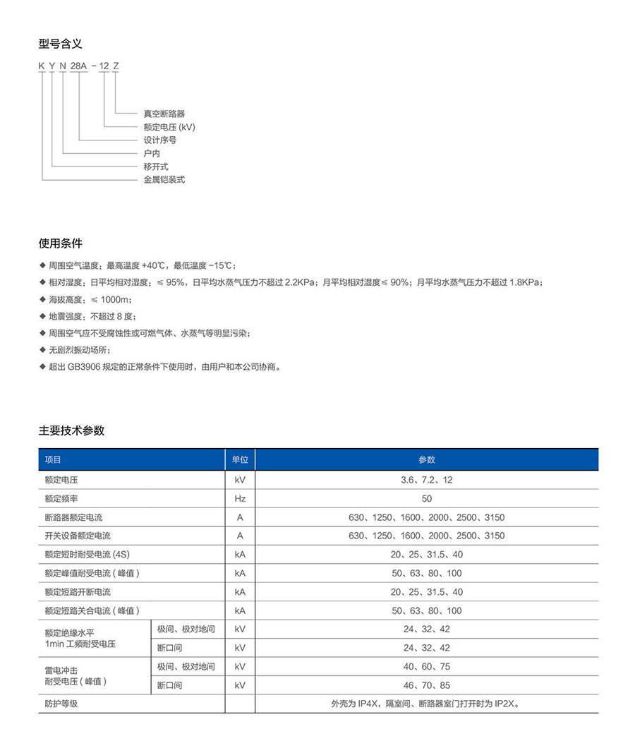
KYN28A-12新型铠装移开式 交流金属封闭开关设备

KYN28A-12(Z) (GZS1)型铠装移开式交流金属封闭开关设备(以下简称“开关设备”)它适用于三相交流50Hz电力系统,用于接受和分配电能并对电路实行控制、保护及监测。

本产品符合标准:GB3906《3~35kV交流金属封闭开关设备》、GB/T11022《高压开关设备和控制设备标准共用技术要求》、IEC60298《额定电压1kV及以上交流金属封闭开关设备和控制设备》。

产品展示

Product display

产品概述

Product overview

COPYRIGHT © 2020 济宁鲁星电气科技有限公司 鲁ICP备20011094号-1 技术支持:鼎岳传媒
首页 关于我们 产品中心 荣誉资质 新闻资讯 联系我们 电子样本

返回顶部