• 首页
  • 关于我们
  • 产品中心
  • 荣誉资质
  • 新闻资讯
  • 联系我们
电子样本

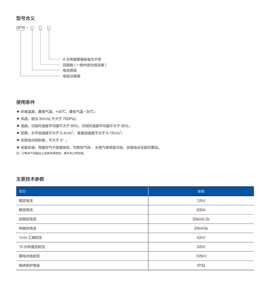
DFW-12 欧式电缆分接箱

欧式电缆分接箱是近年来广泛用于电力配网系统中的电缆化工程设备,它的主要特点是双向开门、利用穿墙套管作为连接母排,具有长度小、电缆排列清楚、三芯电缆不需要大跨度交叉等显著优点。其所采用的电缆接头符合DIN47636标准。一般采用额定电流630A螺栓固定连接式电缆接头。

产品展示

Product display

产品概述

Product overview

COPYRIGHT © 2020 济宁鲁星电气科技有限公司 鲁ICP备20011094号-1 技术支持:鼎岳传媒
首页 关于我们 产品中心 荣誉资质 新闻资讯 联系我们 电子样本

返回顶部