• 首页
  • 关于我们
  • 产品中心
  • 荣誉资质
  • 新闻资讯
  • 联系我们
电子样本

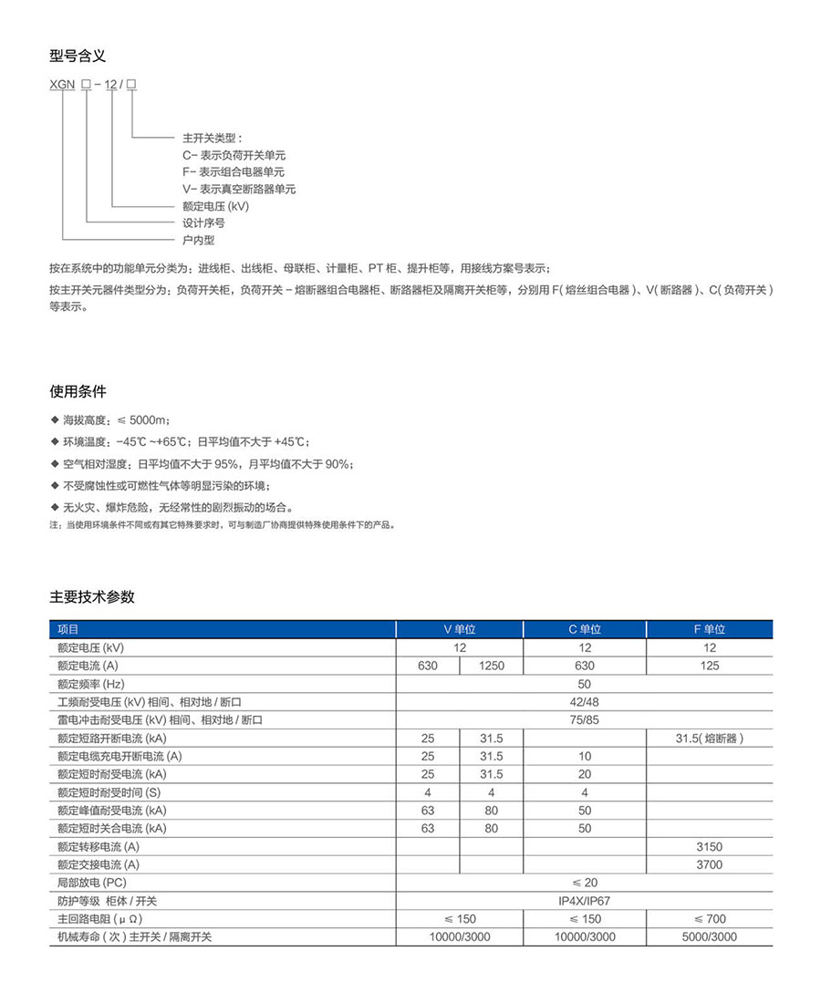
XGN□-12 固体绝缘环网柜

XGN□-12(CVF)固体绝缘环网柜开关设备是本公司自行研发的新一代环保型固体绝缘环网柜。主要由三种功能单元组成,即V单元(断路器单元),C单元(负荷开关),F单元(组合电器单元),每个单元可以单独使用也可以自由扩展,其结构分为智能控制仪表室、操作机构和一次部分,仪表室可配微机保护(控制器),机构为专用弹操机构,一次部分采用APG自动凝胶工艺,将隔离开关和灭弧室完全封在环氧树脂中,并有专用接头和母线相连。灭弧室的设计开关选用灭弧室采用专用的铜铬触头材料,R型纵磁场触头,以及完全一次封排工艺,该灭弧室开断短路电流能力、稳定性、电寿命、温升以及绝缘水平都较之前的灭弧室(铜铝触头材料,杯状纵磁场触头结构,以及不完全一次封排工艺)有了明显提高。操动机构采用与开关配合一体的弹操机构,即隔离开关和主开关弹操机构为一整体,可方便实现互锁,而且机构零件少,减少了不必要的传动环节,可靠性高,并可根据用户需要加装电动操作。

固定绝缘全封闭开关设备:是采用固体绝缘材料为主绝缘介质及导电连接、隔离开关、接地开关、主母线、分支母线等主导电回路单一或组合后用固体绝缘介质包覆封装为一个或几个具有一定功能、可再次组合或扩展的具备全绝缘、全密封性能的模块。

三工位机构采用过中弹簧设计,具有开关和关合负荷电流的作用,并且还可以实现手动和电动操作。

产品展示

Product display

产品概述

Product overview

COPYRIGHT © 2020 济宁鲁星电气科技有限公司 鲁ICP备20011094号-1 技术支持:鼎岳传媒
首页 关于我们 产品中心 荣誉资质 新闻资讯 联系我们 电子样本

返回顶部